
MASADA迷你型液壓千斤頂:
●MASADA迷你型液壓千斤頂是MMJ系列小型千斤頂,體積小,攜帶方便;
●MASADA迷你型液壓千斤頂結構輕巧緊湊,適用于狹窄的空間內頂升;
●迷你型液壓千斤頂采用合金鋼鍛造,主軸光滑不漏油;
●迷你型液壓千斤頂主要用于安裝重型物件時,微量調整和調整軸心位置等工作,非常方便。
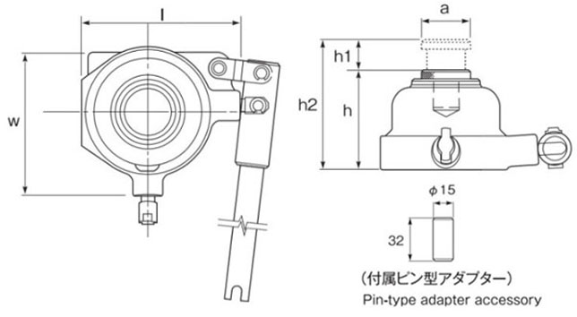
MASADA迷你型液壓千斤頂規格參數:

型號
|
載荷
|
Min高度h
|
揚程h1
|
Max高度h2
|
鞍座尺寸a
|
基本尺寸
l*w
|
手柄尺寸
|
操作力
|
操作回數
|
附屬品(適配器)
|
油量
|
自重
|
ton
|
mm
|
mm
|
mm
|
mm
|
mm
|
mm
|
N
|
回
|
cc
|
kg
|
MMJ-5C-2
|
5
|
60
|
20
|
80
|
Ø28
|
94*89
|
Ø14*240
|
255
|
36
|
薄型/插入式
|
25
|
1.7
|
MMJ-5T-2
|
5
|
85
|
10
|
125
|
Ø28
|
94*89
|
Ø14*240
|
255
|
75
|
薄型/插入式
|
40
|
2.2
|
MMJ-10
|
10
|
120
|
30
|
150
|
Ø42
|
102*108
|
Ø18*440
|
274
|
45
|
薄型
|
77
|
4.9
|
MMJ-20
|
20
|
130
|
30
|
160
|
Ø53
|
112*119
|
Ø18*605
|
343
|
63
|
薄型
|
110
|
7.7
|
MMJ-50Y
|
50
|
140
|
30
|
170
|
Ø80
|
174*178
|
Ø22*680
|
382
|
97
|
薄型
|
370
|
19.0
|
MASADA迷你型液壓千斤頂使用案例及橫向使用圖:

MASADA迷你型液壓千斤頂實物圖:

保質承諾
日本馬沙達(MASADA JACK)迷你型液壓千斤頂屬于日本進口產品,凡客戶從我公司定購此品牌產品如收到貨物時發現有假貨仿貨均以100倍金額賠償。 |