
Z型超薄型液壓千斤頂特點:
●Z型超薄型液壓千斤頂為日本OJ(OSAKA JACK)液壓千斤頂系列產品
●OJ超薄型液壓千斤頂本體高度超低,適合在空間狹小的場合設備頂升
●日本超薄型液壓千斤頂采用特殊鋼,各部分緊湊設計,輕巧便攜
【應用領域】Z型超薄型液壓千斤頂可用于精密設備制造、核電廠、船舶制造等場合使用
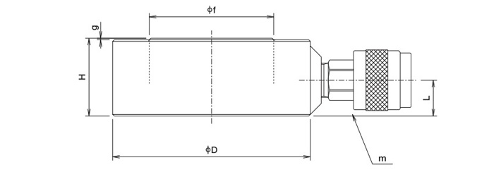
Z型超薄型液壓千斤頂尺寸圖:

Z型超薄型液壓千斤頂技術參數:
|
Z75G1
|
Z100G1
|
Z150G1
|
Z200G1
|
升力
|
kN(tf)
|
750(75)
|
1000(100)
|
1500(150)
|
2000(200)
|
行程
|
mm
|
10
|
10
|
10
|
10
|
高度 H
|
mm
|
50
|
50
|
55
|
60
|
油缸外徑 D
|
mm
|
112
|
127
|
160
|
185
|
油缸內徑 d
|
mm
|
70
|
80
|
100
|
115
|
活塞桿直徑 f
|
mm
|
70
|
80
|
100
|
115
|
承壓面積
|
cm2
|
38.48
|
50.27
|
78.54
|
103.87
|
需要油量
|
m&
|
39
|
51
|
79
|
104
|
質量約
|
kg
|
4
|
5
|
8
|
12
|
g
|
mm
|
1
|
1
|
1
|
1
|
接口螺紋 m
|
-
|
M22ⅹ1.5
|
到接口的高度 L
|
mm
|
23
|
23
|
24
|
28
|
使用泵
|
TWAZ-0.7
|
附屬接頭
|
BZ-4J
|
復位需要的外力約
|
kN
|
0.4
|
0.5
|
0.8
|
1.05
|
保質承諾
Z型超薄型液壓千斤頂屬于進口日本大阪(OSAKA JACK)產品,凡客戶從我公司定購此品牌產品如收到貨物時發現有假貨仿貨均以10倍金額賠償。
|