
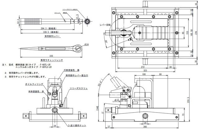
EAGLE F-60TL-LR型爪式千斤頂:
1、EAGLE F-60TL-LR型爪式千斤頂又稱移運式爪式千斤頂,可實現重物的前后、左右、上下方向的微調整;
2、EAGLE F-60TL-LR型爪式千斤頂附帶防過載安全閥;
3、EAGLE F-60TL-LR型爪式千斤頂可定制無塵環境用型號F-60TL-LRC;
4、EAGLE F-60TL-LR型爪式千斤頂適合工廠大型精密設備的組裝、移運、位置調整等。
EAGLE F-60TL-LR型爪式千斤頂參數:

型號
|
F-60TL-LR
|
爪載荷
|
3ton
|
揚程
|
62mm
|
前后寬度
|
30mm
|
左右寬度
|
60mm
|
爪高度(低)
|
73mm
|
爪長度
|
80mm
|
爪寬度
|
65mm
|
本體高度
|
230.5mm
|
重量
|
43.5kg
|
提示:頭部不可使用

保質承諾
EAGLE F-60TL-LR型爪式千斤頂屬于日本進口鷹牌EAGLE JACK品牌產品,保質周期為12個月,在正常使用情況下保質期內出現任何質量問題免費調換,非質量問題收費維修。
|