
ES型OJ單作用液壓千斤頂特點:
● ES型OJ單作用液壓千斤頂活塞桿進行了鍍鉻加工
● ES型單作用液壓千斤頂根據行程不同,分為多種型號產品,可按需選購
● OJ單作用液壓千斤頂臺座為嵌入式,螺紋旋入式請另行定購
● 日本ES型單作用液壓千斤頂底部和油缸外徑上備有安裝用螺紋
● OJ單作用液壓千斤頂盡量降低了低高度,應用場合更為廣泛
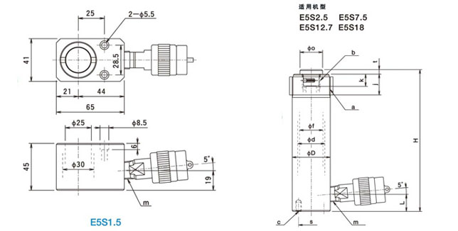
ES型OJ單作用液壓千斤頂尺寸圖:

ES型OJ單作用液壓千斤頂技術參數:
型號單位項目
|
|
E5S1.5
|
E5S2.5
|
E5S7.5
|
E5S12.7
|
E5S18
|
升力
|
kN(tf)
|
50(5)
|
行程
|
mm
|
15
|
25
|
75
|
127
|
180
|
低高度
|
mm
|
45
|
97
|
157
|
214
|
267
|
油缸外徑
|
mm
|
如圖示
|
42
|
油缸內徑
|
mm
|
30
|
承壓面積
|
cm2
|
7.07
|
需要油量
|
m&
|
11
|
18
|
53
|
90
|
127
|
質量約
|
Kg
|
1.4
|
1.5
|
2
|
2.5
|
2.9
|
頸部螺紋的直徑 a
|
mm
|
-
|
M42ⅹ1.5
|
頸部螺紋的長度 j
|
mm
|
-
|
23
|
活塞桿螺紋直徑 b
|
mm
|
-
|
M20ⅹ2
|
活塞桿螺紋的長度k
|
mm
|
-
|
13
|
基座螺紋的直徑 c
|
mm
|
如圖示
|
2-M6ⅹ10L
|
s
|
mm
|
如圖示
|
28
|
活塞桿直徑 f
|
mm
|
25
|
26
|
臺座直徑 o
|
mm
|
-
|
25
|
t
|
mm
|
-
|
5
|
接口螺紋 m
|
-
|
NPT3/8
|
到接口的高度 L
|
mm
|
19
|
使用泵
|
手動泵
|
TWA-0.3 或 TWA-0.7
|
電動泵
|
NEX-2 或 GH 1/2
|
附屬接頭
|
B-6JG
|
保質承諾
ES型單作用液壓千斤頂屬于原裝進口日本大阪(OSAKA JACK)產品,凡客戶從我公司定購此品牌產品如收到貨物時發現有假貨仿貨均以10倍金額賠償。
|