
EAGLE FR-60TL型爪式千斤頂特點:
1、EAGLE FR-60TL型爪式千斤頂帶有聚氨酯滑輪,可以實現設備前后左右位置微調整;
2、EAGLE FR-60TL型爪式千斤頂爪部一體成型,采用高品質材質鍛造堅韌耐久不易變形;
3、EAGLE FR-60TL型爪式千斤頂設有棘輪手柄(標準配件),可以輕松安全的移動重物;
4、EAGLE FR-60TL型爪式千斤頂的滑動臺與千斤頂通過導軌機構緊密結合,安全穩固無晃動;
5、EAGLE FR-60TL型爪式千斤頂可定制無塵型號FR-60TLC,適用于無塵車間或千斤頂不許落漆的環境下。
EAGLE FR-60TL型爪式千斤頂實物圖:

EAGLE FR-60TL型爪式千斤頂規格參數:

型號
|
載荷(Ton)
|
小/爪高
(mm)
|
小/頭高
(mm)
|
行程
(mm)
|
底座寬度
(mm)
|
底座長度
(mm)
|
輪子數量
(只)
|
爪寬
(mm)
|
爪長
(mm)
|
自重
(kg)
|
頭部
|
爪部
|
FR-60TL
|
不可用
|
3
|
50
|
204.5
|
62
|
345
|
422
|
4
|
65
|
80
|
28
|
附件
|
棘輪手柄*1/杠桿*1
|
注意:以上型號均設有防過載安全閥;使用時不得少于2臺。
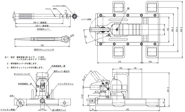
EAGLE FR-60TL型爪式千斤頂細節圖:

保質承諾
EAGLE FR-60TL型爪式千斤頂屬于日本進口鷹牌EAGLE JACK品牌產品,保質12個月,凡客戶從我公司定購此品牌產品如收到貨物時發現有假貨仿貨均以100倍金額賠償。 |