
EAGLE GU-60型爪式千斤頂特點:
1、EAGLE GU-60型爪式千斤頂屬于多段式,補助爪及滑道式設計,爪部可按需調節;
2、EAGLE GU-60型爪式千斤頂帶有安全閥:當重物超過爪式千斤頂的安全載荷后,千斤頂停止頂升;
3、EAGLE GU-60型爪式千斤頂主軸光滑,高強度鉻電鍍加工,長期使用不變形不漏油。
EAGLE GU-60型爪式千斤頂技術參數:

型號
|
載荷
|
小/爪高(mm)
|
小/頭高(mm)
|
行程
(mm)
|
底座寬度(mm)
|
底座長度(mm)
|
滑塊高度
(mm)
|
爪長
(mm)
|
自重
(kg)
|
頭部
|
爪部
|
GU-60
|
6
|
3
|
19
|
229.5
|
115
|
155
|
236
|
69
|
50
|
15
|
GU-100
|
10
|
5
|
22
|
288
|
130
|
183
|
262
|
72
|
55
|
23
|
GU-160
|
16
|
8
|
25
|
233
|
136
|
200
|
285
|
75
|
55
|
30
|
GU-200
|
20
|
10
|
28
|
333
|
140
|
230
|
300
|
78
|
60
|
40
|
特別說明:GU-60、GU-100可橫向使用 。
GU多段型爪式千斤頂系列所有產品均可定制無塵型爪式千斤頂。
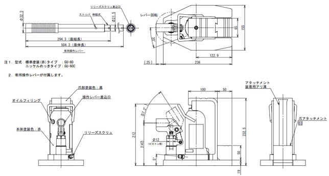
EAGLE GU-60型爪式千斤頂實物圖片:


現在很多客戶產品使用后不知道要怎么保養;可點擊:鷹牌爪式千斤頂使用后保養,讓你更詳細了解。
保質承諾
EAGLE GU-60型爪式千斤頂屬于日本鷹牌EAGLE JACK品牌產品,保質12個月,凡客戶從我公司定購此品牌產品如收到貨物時發現有假貨仿貨均以100倍金額賠償。 |